技術文章
Technical articles
熱門搜索:
fCA3000Tektronix泰克計時器頻率計FCA3000 (300MHz 100ps)
ESRP7EMI接收機
eM5080M知用/CYBERTEK EMI測試接收機 EM5080M(9kHz~500MHz)
TS77003nh三恩時分光測色儀印刷塑膠檢測色差儀
TS85203nh分光測色儀紡織塑膠粉末透明液體三恩時
SCTH600吹田電氣 60A~ 1000A電流傳感器SCTX600
34980a安捷倫/是德 多功能開關數據采集34980A
SDR1000數據采集儀
TO3004麥科信手持300M示波器
P20MAX??滴⒂凹t外線熱成像電路檢測儀
XRF-350A光譜儀黃金檢測儀測金儀合金分析儀
RK2683AN美瑞克漏電流數顯絕緣電阻測量儀2683BN
220V 2400W紐曼s2400大功率快充戶外露營儲能應急電源
RK9930AY美瑞克程控接地電阻測試儀40A/600mΩ
PEL-5004G-150-400(4KW)GWINSTEK高精度大功率直流電子負載6KW9KW
RK9960A美瑞克程控安規綜合測試儀耐壓儀RK9961
更新時間:2023-12-11
點擊次數:1517
電源為何需要進行負載保護
1
定電圧模式與定電流模式
所謂定電壓模式是指負載的電流值在額定范圍內變化,而直流電源供應器的輸出電壓保持穩定的工作模式, 即當負載改變而導致輸出電流變化時,輸出電壓仍維持在設定的電壓值并保持不變。
定電流模式是指直流負載的電阻值在額定范圍內變化,而直流電源供應器的輸出電流保持穩定的工作模式, 即當負載的電阻值改變而導致輸出電壓變化時,輸出電流仍維持在設定的電流值并保持不變。
具有定電壓 / 定電流模式的直流電源供應器工作時的工作模式狀態,應該根據負載性質決定。一般情況下,負載加載額定電壓,當實際負載電流值小于設定電流值時,直流電源供應器工作于定電壓模式;而當實際負載電流值大于設定電流值時,直流電源供應器工作于定電流模式。
定電壓模式與定電流模式的狀態是互補存在的,即直流電源供應器要么工作于定電壓模式,要么就工作于定電流模式。因此,使用者在操作前,首先應根據負載的使用性質和負載的電阻值,正確設定所需的電壓或電流值,選擇滿足負載要求的使用模式。
2
電容性負載應用
因為電容性負載往往會導致輸出電壓升高,尤其在輸出電壓由高向低調節時會導致輸出電壓下降緩慢。因此,使用時在直流電源供應器的輸出端并聯一只功率電阻,并在輸出與負載之間串聯一只二極管,可獲得較好的使用效果。(注意;確保二極管的反向耐壓能承受電源 2 倍額定輸出電壓,同向電流能承受電源 3-10 倍的額定輸出電流)

3
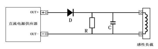
電感性負載應用
當開關直流電源供應器時或者改變輸出電壓時,電感性負載會產生反方向感應電動勢影響直流電源供應器的工作,甚至會導致直流電源供應器的損壞。此時,在直流電源供應器的輸出端與負載之間串聯一只二極管,并且在負載端并聯一只功率電阻和一只電容器組成的 RC 吸收電路,能夠有效保護直流電源供應器。
(注意;確保二極管的反向耐壓能承受電源 2 倍額定輸出電壓,同向電流能承受電源 3-10 倍的額定輸出電流)

選配件 Power sink 模塊介紹


更多保護功能
OVP 故障排除措施
OVP 定義:電源過電壓保護。
故障原因:輸出電壓超過電源設定的過壓值。
故障分析:因為感性負載在驟停時會有一個很高的反向電壓從而造成輸出過壓。
故障解決:在電源輸出端增加 TVS 管和反向二極管。
OCP 故障排除措施
OCP 定義:電源過電流保護。
故障原因:輸出電流超過電源設定的過流值。
故障分析:因為輸出端負載超過設定的電流。
故障解決:1.檢查輸出端負載是否超過設定值的額定電流
2.檢查輸出端負載是否損壞,從而造成電源輸出端短路
OPP 故障排除措施
OPP 定義:電源過功率保護。
故障原因:輸出功率超過額定的功率設定值。
OTP 故障排除措施
OTP 定義:電源過溫度保護。
故障原因:電源內部溫度傳感器達到了檢測的最大值。
故障分析:1.檢查內部模塊是否損壞
2.電源是否超負荷工作
故障解決:聯系電源廠商售后
OLP 故障排除措施
OLP 定義:電源欠壓保護。
故障原因:輸出電壓未達到設定的電壓值。
故障分析:因電源故障導致無電壓輸出。
故障解決:聯系電源廠商售后